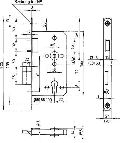
Dornmaß: 65 mm, Entfernung: 72 mm, Nuss: 9 mm, Stulp: 24 mm, rund, verzinkt, Falle und Riegel aus Metall, PZ gelocht, ohne Schließblech.
Funktion E = mit Wechsel, mit fester Nuss, für Wechselgarnituren.
Funktion D = ohne Wechsel, mit geteilter Nuss, für Drückergarnituren.
Weitere Informationen:
- Funktion: E
- Ausführung: mit fester Nuss
- Richtung: DIN links













Rezensionen
Es gibt noch keine Rezensionen.