Schlossklasten mit verzinktem Schloss, rechts und links verwendbar, vorgerichtet für Profilzylinder, mit Wechsel, inklusive 2 Drückerrosetten 18 mm.
– Dorn 60 mm
– 2-tourig
– Nuss 8 mm
– Entfernung 72 mm
– Falle vorstehend 3 mm
Weitere Informationen:
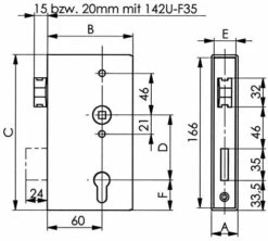
- Ausführung: 140U-30ZW
- A: 90 mm
- B: 94,0 mm
- C: 172 mm
- D: 42 mm
- E: 24 mm
- F: 33,5 mm
- Oberfläche: blank














Rezensionen
Es gibt noch keine Rezensionen.