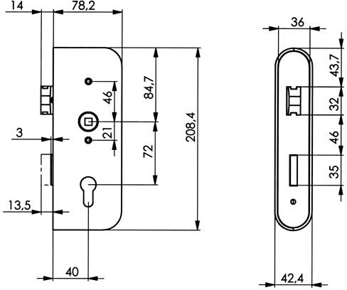
Schlosskasten aus Edelstahl, schmal, mit verzinktem Schloss mit Edelstahlstulpe, rechts und links verwendbar, vorgerichtet für Profilzylinder. Mit Wechsel, inklusive 2 Drückerrosetten 18 mm.
– Dorn 40 mm
– 1-tourig
– Nuss 8 mm
– Entfernung 72 mm
– Falle vorstehend 2 mm
– Riegel vorstehend 3 mm
Weitere Informationen:
- Ausführung: 141ENIG-42ZW
- Oberfläche: Edelstahl Rostfrei















Rezensionen
Es gibt noch keine Rezensionen.