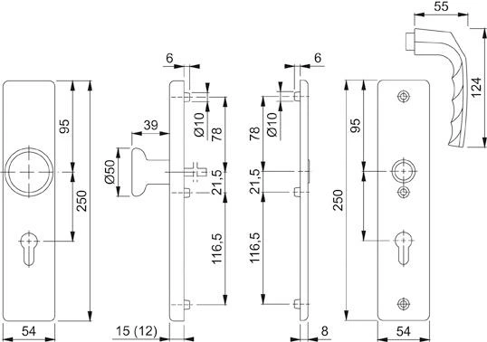
54/2221A/2440/1117 und 54/2222A/2440/1117
HOPPE-Aluminium-Schutzbeschlag ES0 (SK1): Zamak-Unterkonstruktion im Außen- und Innenschild; außen:
feststehender Knopf; innen: loser Türgriff, HOPPE-FDW-Profilstift-Verbindung, sichtbare Verschraubung.
Weitere Informationen:
- Ausführung: Türgriffgarnitur 72/8 mm für Korridortüren, PZ, F4
- für Türstärke: 37-42 / Randhöhe 12 mm












Rezensionen
Es gibt noch keine Rezensionen.