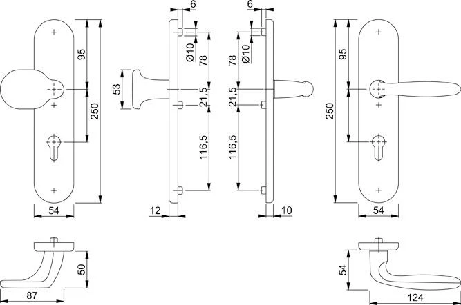
86G/3331/3310/1510
HOPPE-Aluminium-Schutzbeschlag ES1 (SK2): geprüft nach DIN 18257, Stahl-Unterkonstruktion im Außen-
und Innenschild; außen: gekröpfter, feststehender Knopf (ummontierbar); innen: loser Türgriff, HOPPE
Schnellstift-Verbindung (mit HOPPE-FDW-Vollstift, abgesetzter Stift bei Variante 10 mm), hochfeste, verdeckte
Verschraubung. Die Stärke der Innenschilder wurde von 8 mm auf 10 mm geändert.
Weitere Informationen:
- Ausführung: Türgriffgarnitur 72/8 mm für Korridortüren, PZ, F1
- für Türstärke: 42-47 mm















Rezensionen
Es gibt noch keine Rezensionen.