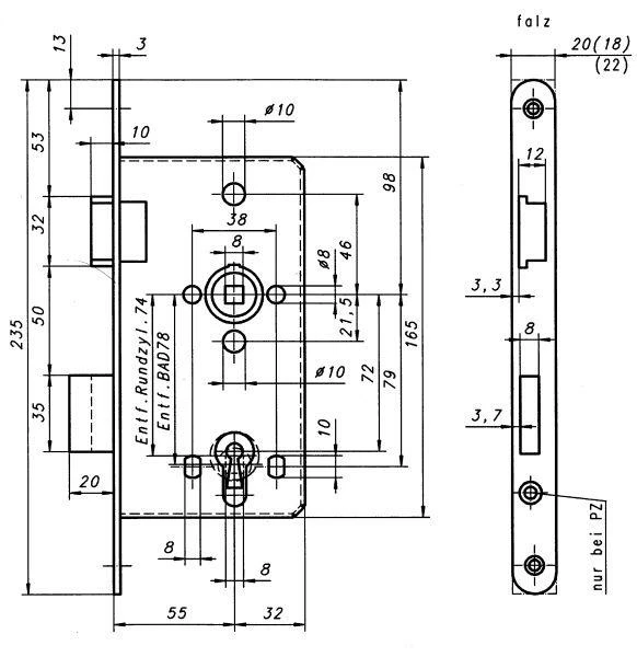
Nach DIN 18251, 2-tourig, Entfernung: 72 mm, Nuß: 8 mm, mit Wechsel, ohne Schließlech, Stulp 20 mm, Klemmnuss: Stahl verzinkt, Lagerschalen aus Stahl, Nachschmiereinrichtung. Falle und Riegel vernickelt. Fallenanschlag mit Geräuschdämpfung. Mit Nirosta-Stulp. PZ
Weitere Informationen:
- Richtung: DIN links
- Dorn: 60 mm
- Stulp: 20 mm
- Ausführung: für gefälzte Türen











Rezensionen
Es gibt noch keine Rezensionen.